"Радиофронт", №35-36, декабрь, 1930 год, стр. 707-710

Ю. МАЛИКОВ
Несмотря на появление на рынке экранированных ламп, в целом ряде случаев можно все же рекомендовать супергетеродин, ибо по избирательности, надежности работы и простоте управления — это, пожалуй, еще не превзойденный тип приемника. Супер имеет много принципиальных противников среди сторонников экранированных ламп. Этим лампам приписываются всякие исключительные свойства и качества. Однако даже средний супер имеет ряд преимуществ перед приемником с каскадом высокой частоты на экранированной лампе. Все приемники с экранированными лампами по избирательности ничем не отличаются от типичных 1—V—0 и 2—V—0 с простыми лампами. Экранированная лампа не заключает в себе никаких свойств, могущих каким-либо образом повысить избирательность. Лампы этого типа имеют значительно больший коэфициент усиления и добротность, чем обычные, а следовательно дают большее усиление в каждом каскаде. Кроме того благодаря экрану в лампе почти совершенно устранена емкость между сеткой и анодом, что дает возможность построить несколько каскадов высокой частоты без всякой нейтрализации. Все вышеприведенные качества экранированной лампы никоим образом не влияют на избирательность — камень преткновения всех радиолюбителей, имеющих под боком местные передатчики. Всем хорошо известно, что при отсутствии помех со стороны местного или близлежащего передатчика (а это бывает только в часы его молчания) на любой приемник типа 1—V—1 можно с хорошей громкостью принять несколько десятков дальних станций. Экранированная лампа в этом же приемнике дает заметное повышение громкости приема, но нисколько не повысит избирательности аппарата, так как избирательность обычного приемника завиоит от числа и качества колебательных контуров в нем.
Гораздо дальше в отношении избирательности позволяет итти супергетеродин. Помимо того он обладает еще рядом преимуществ. Супер имеет только две ручки настройки, любой приемник с экранированной лампой — минимум три, и позволяет вести прием на рамку и работает в любых, в том числе и в походных условиях.

Убеждение, что супер необходимо как-то особо налаживать, что с ним надо много повозиться прежде чем он заработает — является не вполне обоснованным. Простая и удачная конструкция супера требует для налаживания не больше возни, чем любой многоламповый приемник.
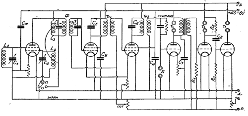
Перейдем к описанию схемы. Приемная и гетеродинная части супера построены по хорошо себя зарекомендовавшей схеме «модулятора на двухсетке» с обычными лампами МДС. Далее идут два каскада усиления промежуточной частоты на «перевернутых» МДС. Второй детектор и две лампы низкой частоты — одна на трансформаторе, другая на сопротивлениях, представляют собой схему, достаточно знакомую каждому радиолюбителю. Переключение гетеродинного контура на длинные и короткие волны производится переключателем или джеком, которым переключают ротор гетеродинного конденсатора С2 или к накалу или к началу катушки L3, таким образом получается или нормальная или трехточечная схема генератора. (Подробно этот метод разобран в журнале «Радиолюбитель» № 4 за 1929 г. и в № 4 эа 1930 г.) Рамка L1 настраивается на желаемую длину волны конденсатором С1. L2 и L3 — катушки гетеродинного контура. С2 — конденсатор гегеродинного контура. Ф — фильтр, настроенный на промежуточную частоту. Постоянные конденсаторы С4 емкостью около 250 и С3 — емкостью 600—800 см — настраивают обмотки фильтра в резонанс. Т1 и Т2 — трансформаторы промежуточной частоты с первичной обмоткой, настроенной при помощи постоянных конденсаторов С5 и С6 емкостью около 250 см. Конденсаторы С9 и С10, а также С7 блокировочные емкостью 3000—5000 см. Гридлик следует взять с емкостью в 150 см и сопротивлением 3—4 мегома.

Сопротивление R1, шунтирующее вторичную обмотку трансформатора, должно быть порядка 100—200 тысяч ом. Сопротивление в аноде лампы R2 — 1 мегом, С8 — 1500 см. R3 — сопротивление утечки сетки величиной в 3 мегома. Сетки ламп промежуточной частоты подведены к движку потенциометра Пот, дающего смещающее напряжение на сетки ламп низкой и промежуточной частоты. Потенциометром регулируется возникновение генерации, а следовательно и громкость приема. Накал всех ламп включается одним реостатом в 5—10 ом. Кроме того на каждую группу ламп поставлен свой отдельный реостат с сопротивлением в 10 ом.
Рамка у супера квадратная, со стороной в 60 см, число витков 38, отводы от 10 и 5 витка. Расстояние между витками рамки 4 мм, провод желательно не тоньше 0,4 мм в диаметре. Очень удобен для намотки рамки многожильный звонковый проводничок. Конденсаторы настройки с максимальной емкостью не менее 500 см, желательно даже 750 см (особенио С2). Самоиндукция гетеродина L2, L3, две цилиндрические катушки длиной в 70 мм, помещенные одна в другой, диаметр катушки L3 — 65 мм. На нее намотано 120 витков провода 0,25—0,35 мм в шелке или эмали. Диаметр катушки L2 — 50 мм, число витков 50, провод 0,5—0,7 мм в шелковой же изоляции. Катушки укреплены одна в другой, внизу приделана на контактах эбонитовая планка, на которой стоят четыре штепсельных вилки, к которым и подводятся концы катушек. К крайним вилкам подводятся концы внешней катушки, т. е. L3, к внутренним — концы L2. Начала подводятся на одну сторону, а концы на другую. Конструкция катушки дана на рис. 2. Катушку следует присоединять к схеме следующим образом: начало L2 — к статору С2 и к добавочной сетке первой лампы, конец — к минусу накала. Начало L3 — к плюсу батареи, а конец — к фильтру. При ином включении схема генерировать не будет. Переключатель П может быть как простой ползунок (обязательно с холостым контактом), так и джек — последнее гораздо удобнее. Конденсатор Сф, служащий для прохождения токов высокой частоты, имеет емкость от полмикрофарады и выше.
Это самая ответственная часть супера. Наиболее тщательно надо изготовить фильтр и трансформаторы промежуточной частоты. Как первый, так и последние мотаются на каркасах, выточенных или выпиленных из 3-мм фанеры. Боковые стенки лучше всего сделать из 5—6 мм эбонита. Для изготовления каркаса из 3-мм фанеры выпиливаются 4 кружочка диаметром 2 см и 3 кружочка диаметром 4 см, в середине их просверливается отверстие в 3—5 мм диаметром, по размеру этого отверстия выстругиваются из дерева палочки длиной в 20 мм, затем, смазав клеем палочку и все маленькие кружочки, надеваем их вперемежку с большими на палочку таким образом, чтобы по краям оставались маленькие кружочки. Вырезав из эбонита фигурные щеки, привинчиваем их к полученному остову и получаем готовый каркас. Изготовив таким образом три каркаса, приступаем к намотке обмоток. Первичная обмотка фильтра содержит 400 витков, вторичная 800, провод как на фильтре, так и в трансформаторах берется один и тот же, диаметром 0,2 мм. В трансформаторах как первичная, так и вторичная обмотки имеют по 800 витков. Каждая обмотка намотана двумя одинаковыми секциями по 400 витков и расположена в двух соседних углублениях каркаса. Особое внимание надо уделить тому, чтобы вторичная обмотка фильтра и первичные обмотки трансформаторов, которые являются настраивающимися, были бы совершенно одинаковы.

Для наибольшего использования лампы необходимо, чтобы сопротивление анодной нагрузки, т. е. трансформатора, для данной частоты было бы того же порядка, как и внутреннее сопротивление лампы. Сопротивление «перевернутой» МДС во много раз больше, чем у обычной лампы, и составляет около 100—120 тысяч ом. Чтобы обеспечить большое сопротивление нагрузки для тока данной частоты, следует настраивать не вторичную обмотку, как это обычно делают, а первичную, т. е. непосредственно включенную в анод лампы.
Во многих из описанных ранее конструкций суперов контура промежуточной частоты настраивались маленькими переменными конденсаторами (литые, завода «Радио»). Производство этих конденсаторов однако давно прекращено. Все же остальные типы столь велики и занимают столько места, что сразу же пришлось отказаться от мысли их использования. Изготовление самодельных переменных конденсаторов малой емкости — задача не легкая, поэтому пришлось обратиться к постоянным конденсаторам. Трудностей при подборке конденсаторов не встречалось, так как абсолютно точной настройки всех контуров не требуется. Более или менее точно в резонанс должны быть настроены обмотки фильтра и обмотки Т1. Т1 обязательно должен быть расстроен при этом в сторону более высокой частоты, т. е. его емкость должна быть несколько меньше остальных.

Настройка производится на слух таким образом. Берем несколько конденсаторов одинаковой емкости, хотя бы 250 см, и вставляем их в держатели для конденсаторов С4, С5 и С6. Емкость С3 около 700 см. Затем настроившись на какую-либо местную станцию, подбираем конденсаторы до наибольшей слышимости. Обычно постоянные конденсаторы с одинаковой написанной емкостью фактически имеют далеко не одинаковую емкость, и этой разницы между ними вполне достаточно, чтобы настроить обмотки, которые тоже не вполне одинаковы. Для лиц, желающих получить максимум эффекта от приемника, можно рекомендовать настроить обмотки с помощью зуммера. К первичной обмотке фильтра присоединяется через батарейку зуммер, включаются лампы промежуточной частоты и детектор, подбирается необходимая емкость на слух, до получения наибольшей слышимости в телефоне, включенном в анод детекторной лампы. Нормальные сетки у МДС или прямо присоединяются к +40—60 вольт или, если нет возможности получить два различных напряжения, то через сопротивление в 60—80 тысяч ом. В этом случае клеммы +Ан и +40 замыкаются накоротко. Концы сеточных контуров промежуточной частоты подводятся к движку потенциометра, вращением которого можно изменять отрицательное напряжение на сетках и вместе с тем и усиление, даваемое лампами. Контур же детекторной лампы включен непосредственно на плюс батареи накала.
Стремление обеспечить достаточную чистоту передачи заставляет отказаться от второго трансформатора и заменить его сопротивлением. Если же вместо сопротивления все-таки ставится трансформатор, то его необходимю брать с возможно большим числом витков в первичной обмотке и с небольшим коэфициентом трансформации, желательно 1:2. Сопротивление R1 — 100—200 тысяч ом, шунтирующее его вторичную обмотку, в известной степени понижает его резонансные качества. Данные емкости и сопротивлений последнего каскада усиления низкой частоты приведены нами выше.
Конструктивно супер оформлен несколько необычным образом. Он сделан на высокой плоской панели с таким расчетом, чтобы его можно было привести в походное состояние: вынуть из ящика и положить в чемодан. Размер и разметка панелей даны на рис. 4. Горизонтальная панель привинчивается, отступя на 1 см от вертикальной. В левой части находится конденсатор рамки и гетеродин, между ними кнопка джека. Налево от С1 — два гнезда для рамки, в правой части — вольтметр и две ручки — потенциометра и общего реостата, под ними четыре пары гнезд.

Для того чтобы можно было использовать в супере только усиление низкой частоты (для микрофона или адаптера), установлены два гнезда. На рис. 1 они обозначены буквой «а». Остальные гнезда для приема без низкой частоты и с одним и двумя каскадами низкой частоты. Плюсовые гнезда первого и второго накала соединены в одно, таким образом, вставляя громкоговоритель в левое и среднее гнезда, получаем работу на 1 каскад низкой частоты, а в среднее и правое — на 2 каскада.
Лампы промежуточной и низкой частоты смонтированы на суп-панели. Весь монтаж сделан под последней, там же укреплены все трансформаторы и держатели для постоянных конденсаторов.
Гетеродинный блок смонтирован на полочке, укрепленной над конденсатором С1. Ввиду запутанности монтажа монтажная схема не приводится. Товарищ, монтировавший ламповые приемники, без труда смонтирует супер, пользуясь принципиальной схемой и фотографиями.

Вольтметр, стоящий на панели приемника, включен после общего реостата накала. Однако особой необходимости в нем нет. Детекторную лампу, как всегда, желательно амортизировать. Большой необходимости в верньерах тоже нет. Супер, несмотря на свою прекрасную избирательность, имеет довольно тупую настройку, т. е. станция слышна на 2—3 деления шкалы, поэтому настроиться очень легко. Любую станцию, как и всегда при понижении частоты, слышно при двух положениях шкалы гетеродинного конденсатора. Например, чтобы получить биения в 72 кц при приеме станции ВЦСПС, работающей частотой 320 кц, можно накладывать частоту в 392 кц или 248 кц, так как разность частот и в том и в другом случае будет одна и та же. Очень часто длинноволновая станция, которая слышна с помехами при одной частоте гетеродина, принимается при другой частоте гетеродина совершенно чисто, без помех, поэтому, дабы возможно больше расширить диапазон гетеродина, его конденсаторы желательно иметь побольше, до 750 см.
Супер работает уже при анодном напряжении в 40 вольт. Наилучшие результаты получаются при двух напряжениях: на гетеродин и детектор дается вольт 40—60 и на лампы промежуточной и низкой частоты 100—200 вольт. Хорошо можно вести прием и при одном напряжении, но не свыше 100 вольт. Питание супера выпрямителем вполне допустимо, но чтобы ослабить всякие шумы и трески из осветительной сети, особенно в больших городах, где моторы и выключатели весьма могут помешать приему, рекомендуется выпрямитель включать в сеть через два дросселя высокой частоты (по одному на каждом проводе). Дросселя могут быть любыми, в том числе и сотовыми катушками в 200—300 витков. Кроме того не мешает сеть до дросселя заземлить через конденсатор в 2000—3000 см. Контура супера следует проградуировать, и в любое время дня всякую не слишком слабую станцию, если она работает, вы услышите на тех же настройках.